Optische ontvangers
Optische ontvangers
Het basis element voor een optisch ontvanger is de fotodiode. Een fotodiode is een halfgeleider die licht omzet in stroom. De stroom wordt gegenereerd wanneer fotonen worden geabsorbeerd in de fotodiode. Fotodiode modules kunnen versterkers, optische filters, en lenzen bevatten. Een zonnepaneel is een voorbeeld van een product die bestaat uit vele fotodiodes voor het opwekken elektrische energie.


Het variërende licht, verzonden door de optische zender, wordt door de fotodiode in een optische ontvanger omgezet in een variërende spanning. In de foto hiernaast een voorbeeld van een praktische fotodiodes. De lichtdraaggolf wordt gedemoduleerd waardoor de oorspronkelijke draaggolven voor radio, televisie en internet weer beschikbaar komen. Een optische ontvanger is, in tegenstelling tot een optische zender, breedbandig. Dat betekent dat Lambda's van 1200 nm tot 1650 nm kunnen worden ontvangen en gedemoduleerd.
Toepassingen
Optische ontvangers worden toegepast in het regionale, lokale en wijk netwerk. Op de pagina's 'Topologie' kunt hierover meer lezen.


Ontvangst gevoeligheid
Een optische ontvanger toegepast in HFC netwerken heeft een ontvangstgevoeligheid tussen de -16 dBm en de +3 dBm. Een te laag optisch niveau zal ruis toevoegen aan het oorspronkelijke signaal en een te hoog niveau zal leiden tot oversturing van de ontvanger. Voor een optimale ontvangst wordt een richtlijn van 0 dBm of lager gehanteerd.
Maximaal glasvezel traject
Zoals beschreven in het hoofdstuk glasvezelkabels is de vezeldemping afhankelijk van de het gekozen lichtvenster. 1550 nm lambda's worden minder gedempt dan 1310 nm lambda's. Voor het berekenen van de maximaal overbrugbare afstand in een glasvezel is eenvoudig te berekenen door het vaststellen van het optisch budget. Optisch budget= optisch vermogen zender - (ontvangst gevoeligheid + las dempingen + connector dempingen + extra las dempingen voor glasvezel schades).
Voorbeeld
Vermogen optische zender: 6 dBmGewenst ontvangst vermogen: 0 dBmDemping optische connector: 0,2 dBmGlasvezel lasdemping per 4 km: 0,01 dBGlasvezel demping 1550 nm: 0,2 dBGlasvezel demping 1310 nm: 0,35 dB
We gaan er vanuit dat er slechts twee optische connectoren zijn toegepast, èèn bij de optische zender en één bij de optische ontvanger. Tevens moeten we voor elke 4 km de glavezel lasdemping meenemen. Daarnaast moeten we rekening houden dat bij graafwerkzaamheden glasvezel beschadig kunnen worden. Voor iedere schade moet er een glasvezelkabel tussen gelast worden hetgeen neerkomt op twee extra lasdempingen. We rekenen voor kabelschades gedurende dertig jaar 1 dB extra demping. De berekeningen ziet er dan alsvolgd uit.
- Glavezellengte bij 1550 nm
- Optisch budget = 6 dBm - ( [ 0 dBm ] + [ 2 x 0,2 dB ] = 5, 6 dB.
- Bruto glavezellengte = 5,6 dBm / 0,2 dB = 28 km
- Las dempingen= (28 km / 4 km) x 0,01 dB = 0,07 dB
- Netto optisch budget = 5,6 dBm - 0,07 dB = 5,53 dBm
- Beschikbaar budget inclusief schades = 5,53 dBm - 1 dB = 4,53 dBm
- Totale overbrugbare glasvezellengte = 4,53 dBm / 0,2 dB = 22,6 km
- Glavezellengte bij 1310 nm
- Optisch budget = 6 dBm - ( [ 0 dBm ] + [ 2 x 0,2 dB ] = 5, 6 dB.
- Bruto glavezellengte = 5,6 dBm / 0,35 dB = 16 km
- Las dempingen= (16 km / 4 km) x 0,01 dB = 0,04 dB
- Netto optisch budget = 5,6 dBm - 0,04 dB= 5,56 dBm
- Beschikbaar budget inclusief schades = 5,56 dBm - 1 dB = 4,56 dBm
- Totale overbrugbare glasvezellengte = 4,56 dBm / 0,35 dB = 13 km
- Bij gebruik van 1550 nm kunnen we ~10 km meer vezellengte toepassen.
Schema optische ontvanger
In onderstaand schema is het blok schematisch principe van een optische ontvanger weergegeven.
Aan de linkerzijde kunnen vier glasvezels worden aangesloten t.w. broadcast IN#1 t/m IN#4. De fotodiodes demoduleren de lichtdraaggolven, waarna de RF draaggolven door RF versterkers op een gewenst niveau gebracht kunnen worden en beschikbaar zijn op de individuele uitgangen OUT#1 t/m OUT#4.
Automatic Gain Control (AGC)
Het is belangrijk dat de optische optische ontvanger de RF draagolven op op de uitgang op een gewenst niveau gehandhaafd blijven. Niveau variaties kunnen optreden als het optisch ingansniveau varieert. Teveel variatie in het uitgangsniveau kan leiden oversturing of ruis problemen in het achterliggende netwerk waardoor signaal kwaliteitsverlies kan ontstaan. Om het uitgangsniveau stabiel te houden wordt AGC toegepast. De microcontroller (µP) meet voortdurend de uitgangsniveau's en past deze, indien nodig , aan door meer of minder versterking in te stellen. Met behulp van testpunt (TP) kunnen de gewenste uitgangs niveau's, tijdens installatie of onderhoud, van de optische ontvanger worden afgeregeld.
Specificaties
Optische ontvangers zijn in diverse mechanische uitvoeringen te verkrijgen. Hieronder de specificaties en uitvoering in BK formaat met vier optische ontvangers van de firma BKtel.
Hieronder de specificaties van een optische up-stream onvanger in HDX formaat met vier optische ontvangers van de firma Teleste.
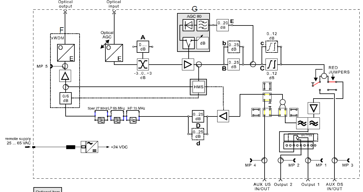
Optische nodes
Optische nodes zijn componenten waarin een optische ontvanger en optische zender zijn samengevoegd in één behuizing. Optisch nodes worden toegepast in wijkcentrum straatkasten voor het demoduleren van de downstream lichtdraagolf en voor het moduleren van de upstream RF draaggolven op een lichtdraaggolf. Het wijkcentrum is de locaties waar het glasnetwerk eindigd en het coaxnetwerk begint.

Bovenaan bevinden zich de optische aansluitingen voor de glasvezels. Links de voedingsaansluiting en rechtsonder de RF ingangen en uitgangen. De optische node kan met jumpers op diverse manieren worden geconfigureerd. Tevens is de AGC functionaliteit voor de optische ontvangen ingeboeuwd en een management communicatie module voor het uitlezen van node parameters beschikbaar. De specificatie van de node staan hieronder vermeld.